您好,欢迎进入河南省中原奥起实业有限公司官方网站!

与时俱进,诚赢客户

龙门吊、提梁机、门式起重机生产厂家

服务电话:13782575673

龙门吊百科

您现在所在位置:首页>>起重资讯>>龙门吊百科

龙门吊大车的连接梁设计

本文链接:https://www.hnzyaq.com/gsxw/528.html   发布时间:2021-03-11 01:29:14  点击量:1806

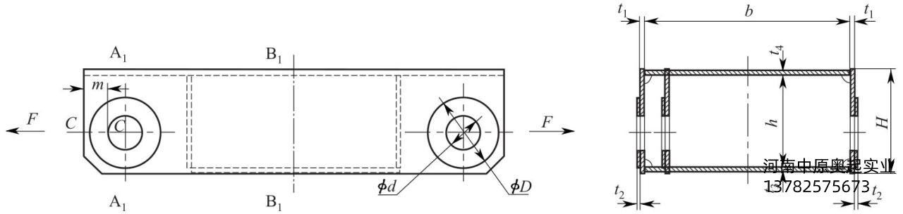
  龙门吊的连接梁(图4-34),不承受弯矩和剪力,只承受两根主梁之间连接的拉力。在设计计算时,需考虑连接轴的抗剪力计算、A—A截面和B—B截面的抗拉力计算,C—C截面的抗剪力计算。
图4-34连接梁的受力分析

图4-34连接梁的受力分析

  1、连接轴的抗剪力计算


  2、连接梁截面的抗拉强度计算




  式中 ζi——考虑连接梁对铰轴的交变冲击和大车轨道接头及大车安装的误差影响,铰轴在实际运行中承受一个特别大的附加阻力作用。在实践中,铰轴因为加工误差和恶劣的实际工况情况,容易在使用中出现毛孔等毛病,有可能导致端梁中心线形成“八字形”结构变形,为了**起见,推荐考虑一个**增大系数,ζ1=2~3,ζ2=1.5~2,ζ3=1.3~1.6,ζ4=1.5~1.8,ζ不会影响大车结构重量的增加;

  F——克服大车运行的阻力,式中的Q、G、f、μ、d、β、D、sinα参见4.4龙门吊运行机构设计;

  d——连接轴的直径(铰轴和图4-34中的连接孔配合,直径为D的贴板加强铰轴的局部稳定性和强度,由于铰轴很短,承受的弯矩忽略不计);

  D——加劲板外圆的直径;

  [τ]——连接轴的抗许用剪应力;

  H——连接梁腹板的高度(mm);

  t1——连接梁腹板的厚度(mm);

  t2——加劲贴板的厚度(mm);

  t3——连接梁下盖板的厚度(mm);

  t4——连接梁上盖板的厚度(mm);

  b——连接梁两腹板之间的距离(mm)。

  3、轴孔d的平均挤压应力

  式中 [σpj]——工作时有相对转动,取 ;工作时无相对转动,取 。

  文章来源:http://www.hnzyaq.com/gsxw/528.html

文章聚合页面:

联系我们

CONTACT US

联系人:徐经理

手机:13782575673

电话:0373-8611375

邮箱:hnzyaqqz@126.com

官网:www.hnzyaq.com

地址:河南长垣起重工业园区华豫大道中段